Hawke HF Blank Filler Blocks
Description
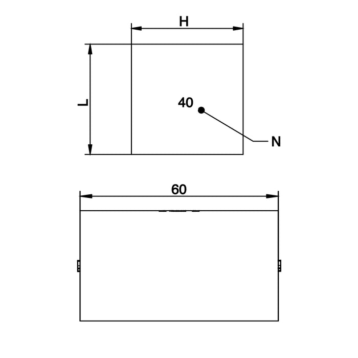
Hawke HF blank modules are designed to fill spaces within the frame which are not required for services, thus allowing spare capacity for future requirements.
| Type | H(mm) | W(mm) | Label(N) | Weight(kg) |
|---|---|---|---|---|
| HF150 | 15 | 15 | 15 | 0,02 |
| HF200 | 20 | 20 | 20 | 0,03 |
| HF300 | 30 | 30 | 30 | 0,08 |
| HF400 | 40 | 40 | 40 | 0,14 |
| HF600 | 60 | 60 | 60 | 0,31 |
| HF900 | 90 | 90 | 90 | 0,71 |
| HF1200 | 120 | 120 | 120 | 1,24 |
| *HF90-30* To be used with a HF90 series tolerant block | ||||
| HF90-30* | 90 | 30 | 90-30 | 0,24 |
Other Configurations
Round Corner Blank Blocks
| Type | H(mm) | W(mm) | Label(N) | R(mm) | Weight(kg) |
|---|---|---|---|---|---|
| HF200 R20 | 20 | 20 | 20 | 20 | 0,03 |
| HF300 R20 | 30 | 30 | 30 | 20 | 0,07 |
Filler Strips
| Type | H(mm) | W(mm) | Weight(kg) |
|---|---|---|---|
| HF50 | 5 | 60 | 0,03 |
| HF100 | 10 | 60 | 0,11 |
| *HF100 Pre-cut into 12 pieces of 10x10mm Blocks | |||
| HF100 (12x10)* | 10 | 60 | 0,11 |
